法拉德节能技术  电力和公共机构节能  法拉德电容器  法拉德电抗器
登录 | 注册 | 收藏网站

典型案例

您的位置: 首页 > 典型案例

山东北海热力中频炉 无源滤波器方案


中频加热炉的特点

       中频炉工作频率范围在 10KHZ-150KHZ 之间,主要用于钢铁铸造等冶金行业的熔炼。一般常见于大型钢铁厂、汽车制造厂的铸造车间或中小型铸造企业。中频炉由于自身的负载特性,它在熔炼的过程中会产生大量的高次谐波,如果局部地区有集中的中频炉铸造企业,该地区的电力系统很容易遭到谐波的破坏,产生大面积供电故障的安全隐患。
       1 1 、中频炉的负载特性:
       中频炉由于经工频电源整流,逆变为中频,工作过程中会产生大量的高次谐波,通过对其产生的谐波的频谱分析可以得出,产生的高次谐波的频谱分量与其前端的整流方式密不可分。绝大多数中频电炉的整流方式为 6 脉冲相控整流,产生的谐波主要有 5、7、11、13 次谐波,其中 5、7 次谐波含量最高。与此同时,中频炉在整个加热熔炼过程中功率因数的变化也要经历三个阶段,分别是:⑴ 0.7 左右的工作状态,⑵ 0.9-0.93 左右的工作状态,⑶ 0.98左右高功率因数的工作状态。
       2 2 、中频炉负载的难点以及治理目标:

需要指出的是当中频炉工作在上述第 3 阶段时,伴随高功率因数的同时,其谐波电流与工作电流也同时达到了最大值。一般情况下,使用有源滤波器对中频炉进行谐波治理会达到较好的滤波效果。但绝大多数中频炉厂家的生产成本较低,而有源滤波器的造价相对较高,很多中小型铸造企业无法负担起昂贵的使用成本。

虽然无源滤波器的滤波效果不像有源滤波器那么突出,但无源滤波器造价相对较低,并且法拉德无源滤波器可以根据中频炉的工作频率、工作周期、谐波特性进行专门的设计。因此,无源滤波器就成为治理中频炉负载的首要选择。

法拉德无源滤波器针对中频炉行业的负载主要有以下两个治理措施:

⑴ 绝大多数中频炉在自身设计上都会有炉内的三相平衡电容器,这样,中频炉在工作的过程中功率因数就会有很大的提高。基于此,法拉德无源滤波器的设计理念是保证炉子的高功率因数不损失的同时,尽可能的设计治理谐波效果最好的无源滤波器,以达到谐波滤除和无功补偿的双重功能。
⑵ 无源滤波器内的电抗器和电容器单独设计,与用户现场的配电环境和负载特性完全匹配。尤其是将配电变压器的容量、连接组别、短路阻抗、负载的谐波含量和频谱特性等综合考虑,做到最大限度的滤除谐波。
       现场情况及 推荐谐波治理方案
       现场情况:母线电压 10.5KV,1600KVA 10/0.66 整流变 3 台,带中频加热炉;630KVA 10/0.4 厂用变 1 台,带厂用设备及一台低压中频加热炉 300KVA。根据综合分析和多年现场实际应用,我们预估 1600KVA 变压器功率因数约在0.85 左右,630KVA 变压器功率因数约在 0.80 左右。最后本着从客户要求出发,在节省成本的基础上,我们推荐采用我公司生产的 FLD-TPF 系列无源电力滤波器。

配置如下:

预期滤波补偿目标
       根据负荷特征,预期补偿效果如下:
       1600KVA 中频炉变压器测综合功率因数 cosφ:≥0.95
       630KVA 中频炉混合变压器测综合功率因数 cosφ:≥0.95
       主要配件清单

典型案例介 X XXXX  精锻股份有限公司

下面一则案例是法拉德为 XXXX 有限公司铸造车间的中频炉进行综合治理的情况。
以下是法拉德无源滤波器投入前后的现场对比数据:
1)相电压波形前后对比图

2)相电压谐波含量前后对比图

3)相电流波形前后对比图

4)相电流谐波含量前后对比图

滤波前后测试结果分析:
       从设备投入前后的对比状况可以明显看出法拉德无源滤波器的良好治理效果。无论是电压畸变率还是电流畸变率都有明显的下降,谐波电压的含量也已经达到了国标要求。

法拉德无源滤波及消谐补偿 装置介绍

工作原理简介
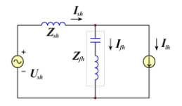
       无源电力滤波器的主回路原理图及其谐波等效电路如下图所示。由滤波电容器和电抗器串联构成一个或多个串联谐振滤波支路,分别谐振于需滤除的主要谐波频率,各滤波支路均与谐波负载并联,对负载谐波电流构成分流支路。

无源电力滤波器主回路原理图

无源电力滤波器的谐波等效电路

假定负载谐波电流和网侧谐波电流分别为 I lh 和 I sh ,电网谐波电压为 U sh ,电网谐波等效阻抗和滤波器谐波阻抗分别为 Z sh 和 Z fh ,由无源电力滤波器的谐波等
效电路可得描述其滤波特性的方程:

在对谐波频率串联谐振状态下,滤波支路对谐波电流呈现很低的阻抗,通常显著低于电网对谐波的等效阻抗,因此大部分谐波电流将被滤波器分流而不再流入电网,使 I sh 显著小于 I lh ,从而得到良好的滤波效果。电网中的谐波电压也会
在无源滤波器中产生谐波电流,需在滤波器设计时将此部分电流控制在较低水平。对于工频基波电压而言,无源滤波器等效为一个电容器,可补偿负载所需无功功率。

法拉德 FLD-TPF 系列无源电力滤波器由检测单元、主控单元,投切执行单元和无源滤波支路(调谐电容器组)、人机界面等部分构成。检测单元通过电压、电流传感器实时检测系统电压和电流的瞬时值,并实时计算出系统谐波成分、所需无功功率、电压电流有效值等控制参量,由主控单元完成逻辑判断并发出相应的控制指令,控制投切执行单元投切无源滤波支路,实现对负载谐波和无功功率的综合补偿。

法拉德 FLD-TPF 无源电力滤波器原理框图

法拉德 FLD-TPF 系列产品主要特点
• 针对用户配电系统与负荷特征专门设计,可实现最佳配合;
• 计算机模拟分析技术与计算机辅助参数优化设计技术,取得最效果;
• 基于 DSP 和 CPLD 等新型高速集成控制芯片的控制器,控制快速准确;
• 基于无功与谐波分析的补偿参数的自适应控制技术,实现无功补偿、谐波
滤除、谐波共振抑制等指标综合优化控制;
• 采用无暂态高速投切调谐电容器组专有技术,滤波支路投切无涌流冲击,
可实现滤波器的高速投切。
• 无功补偿与谐波治理一体化,设备性价比高。
规格系列和命名方法
• 基本型号:4 位 FLD-TPF 法拉德无源电力滤波器
• 补偿方式:2 位 33:三相三线统补;
31:三相三线分补,41:三相四线分补
• 控制方式:1 位 V:超高速型,F:高速型,N:普通型
• 电压等级:2 位 0.4:0.4kV,0.6:0.66kV 或 0.69kV
• 补偿容量:3~4 位 以千乏(kvar)为单位的补偿容量
• 补偿步数:1~2 位 1~10 步
• 工厂代号:2 位 主要用于工厂生产识别,订货时可以不填。
其中:33、31、41 等不同补偿方式的主回路结构如下图所示:

各种补偿方式的主回路结构示意图

主要技术指标

执行标准
GB/T 15576-1995  低压无功功率静态补偿装置
GB/T 12747-2004 自愈式低电压并联电容器
JB/T 9663-1999 低压无功功率自动补偿控制器
GB/T 14549-1993 电能质量 公用电网谐波
FLD-TPF系列产品设计选用
无源电力滤波器通常需要针对用户负载的谐波特征和用户配电系统参数进行设计选用,方能取得良好效果。选用无源滤波器需要首先确认以下技术参数:
(1)用户负荷种类和容量;
(2)用户负荷谐波电流的次数和各次谐波电流强度;
(3)用户负荷对无功功率的需求;
(4)用户配电系统低压侧电压等级、电压谐波次数和各次谐波电压含量;
(5)用户配电变压器规格型号;
(6)用户进户线电压等级、短路容量和协议用电容量;
(7)治理目标。
针对不同的项目,法拉德电气首先派专业的工程师到用户现场对配电系统进行现场测量与了解,获得第一手数据,然后根据现场测量数据出具电能质量分析报告,针对不同的现场情况,提供最优的设计方案。也可由用户自行测量,并提供测试结果和配电系统参数,由法拉德电气工程师推荐产品规格或技术方案。

法拉德电气(北京)有限公司
2015 年 4 月 23 日

关于我们 | 联系我们 | 友情链接 | 网站地图

地址:北京市北京经济技术开发区科创十四街99号 电话:010-67862367

版权所有© 法拉德节能技术(北京)股份有限公司 京ICP备13030045号